Categories
Categories
Brands
Brands
- Home
- Intake and Fuel
- Keihin CR Special Carburetor Rebuild Kits
Keihin CR Special Carburetor Rebuild Kits
Product Description
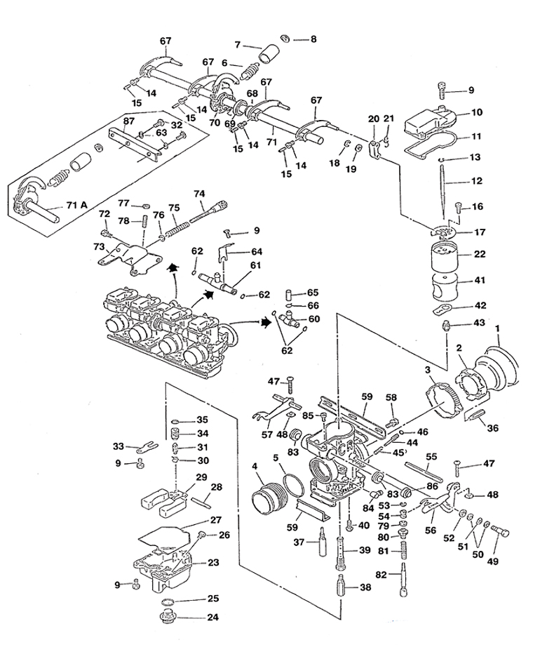
The Keihin CR Special carburetor rebuild kits contain all the necessary genuine Keihin components to rebuild your CR Special carburetor. Kits are available with the #3.2 float needle valve assembly, the #2.4 float needle valve assembly is available as an option. The kits do not include jetting. See the parts list and diagram below.
All kits are sold in sets of four so that a bank of four carburetors can be serviced with one rebuild kit.
Please feel free to contact us with any additional questions or requests, we are available by direct line, IM, or email. We are available for tuning and setup questions as well as continuing product support after the sale.


Loading... Please wait... 
