Categories
Categories
Brands
Brands
- Home
- Intake and Fuel
- Carburetors
- Mikuni
- Mikuni VM26-606 Carburetor Replacement Parts
Mikuni VM26-606 Carburetor Replacement Parts
Product Description
The Mikuni VM26 carburetor is a popular carburetor found on many older Japanese street and off-road motorcycles. In addition they are a very popular aftermarket upgrade to any motorcycle or ATV. By using only genuine Mikuni parts to repair your carburetor you will help to ensure many years of long lasting use by using the finest repair components available. They are manufactured to the highest OEM standards and tolerances which help to ensure an exact fit every time. Rubber components are made from the highest grade alcohol resistant polymers and ensure a long lasting replacement.
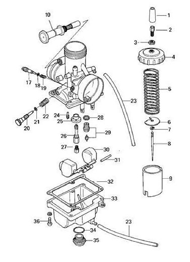
Use the parts diagram below to find your part number, then select that part number from the drop down menu above before adding to your cart. Once your part is selected from the drop down menu the price will appear. If the part number is crossed out or not listed in the drop down menu above then please inquire for help. Many times the item is available separately or contained within a rebuild kit, we'll help you find it.
For the rebuild kit containing gaskets, needle valve assembly, screws, and springs see our Mikuni VM26 Carburetor Rebuild Kit MK-606.
Please Note: These parts are genuine aftermarket Mikuni parts and may not fit all OEM original equipment Mikuni carburetors. Please inquire if you are unsure of your application.
VM26-606 Carburetor Parts Diagram




Loading... Please wait... 
